Sign In | Join Free | My frbiz.com
China HUATEC GROUP CORPORATION logo
HUATEC GROUP CORPORATION
HUATEC GROUP CORPORATION Professional Non Destructive Testing Equipment
Verified Supplier

17 Years

Home > Ultrasonic Flaw Detector >

Duplex Stainless Steel Iiw V1 Calibration Block For Ultrasonic Testing

HUATEC GROUP CORPORATION
Trust Seal
Verified Supplier
Credit Check
Supplier Assessment
Contact Now

Duplex Stainless Steel Iiw V1 Calibration Block For Ultrasonic Testing

Brand Name : HUATEC

Model Number : V2 IIW2

Certification : ISO, CE, GOST

Place of Origin : Beijing

MOQ : 1pcs

Payment Terms : Western Union, T/T, L/C

Supply Ability : 500pcs per month

Delivery Time : 1-4days

Packaging Details : Standard export package

Material : carbon steel, stainless steel, duplex stainless steel 2205,aluminum 7075

Thickness : 12.5/20/25mm

Hole diameter : 1.5/3/5mm

Calibration certificate : Included

Case : included

OEM : yes

Product name : calibration block ultrasound

Contact Now

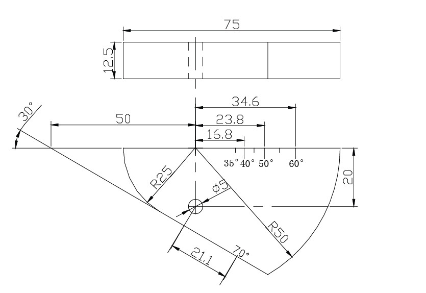
IIW2 ISO7963:2010 V2 ultrasonic calibration block carbon steel stainless steel duplex stainless steel

IIW2 test block (V-2 test block) is a standard test block approved by the International Institute of Welding. V-2 (DIN54122) Compared with IIW test block, V-2 test block has the advantages of light weight, easy to carry, and is especially suitable for field use

Material: carbon steel 1018, stainless steel 304/316, duplex stainless steel 2205,aluminum 7075

Hole diameter:1.5/3/5mm

Thickness: 12.5/20/25mm

Mark: OEM can be done

Duplex Stainless Steel Iiw V1 Calibration Block For Ultrasonic TestingDuplex Stainless Steel Iiw V1 Calibration Block For Ultrasonic Testing

HUATEC Group offer all kinds ultrasonic calibration block


Product Tags:

calibration block for ultrasonic testing

      

Iiw V1 Calibration Block

      

Duplex Stainless Steel Calibration Block

      
China Duplex Stainless Steel Iiw V1 Calibration Block For Ultrasonic Testing wholesale

Duplex Stainless Steel Iiw V1 Calibration Block For Ultrasonic Testing Images

Inquiry Cart 0
Send your message to this supplier
 
*From:
*To: HUATEC GROUP CORPORATION
*Subject:
*Message:
Characters Remaining: (0/3000)